首页
关于我们
平熔简介
企业文化
产品中心
高低压熔断器系列
箱式变电站系列
高压成套系列
低压成套系列
解决方案
新闻资讯
公司新闻
行业动态
联系我们
联系方式
在线留言
English
English
网站首页
关于我们
平熔简介
企业文化
产品中心
高低压熔断器系列
箱式变电站系列
高压成套系列
低压成套系列
解决方案
新闻资讯
公司新闻
行业动态
联系我们
联系方式
在线留言
高低压熔断器系列
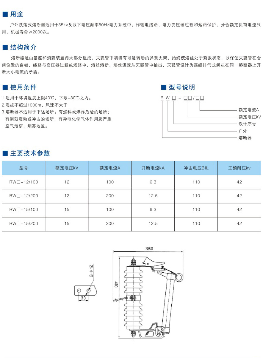
RW口 跌落式熔断器
0577-61711100
(联系电话 7×24)